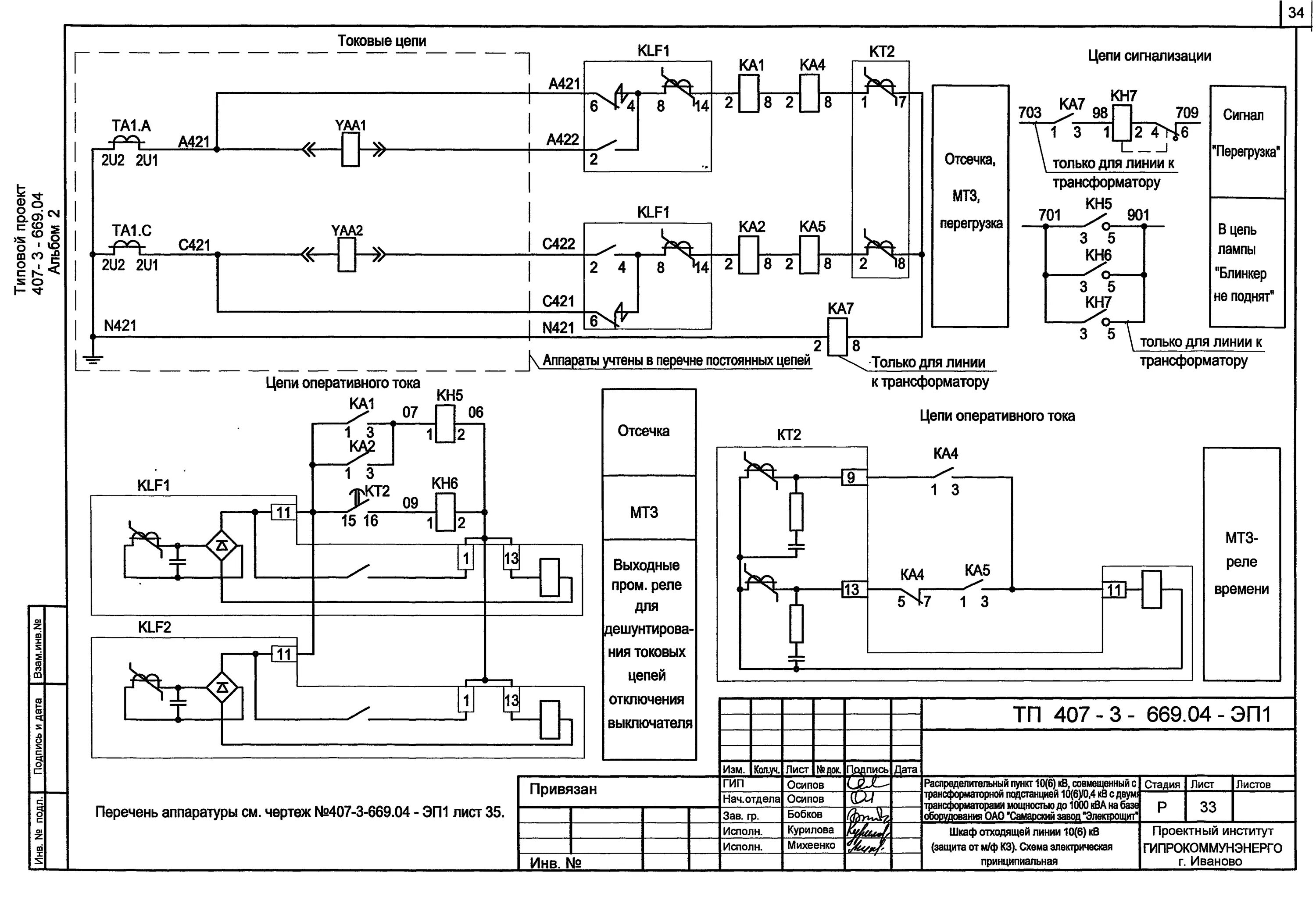
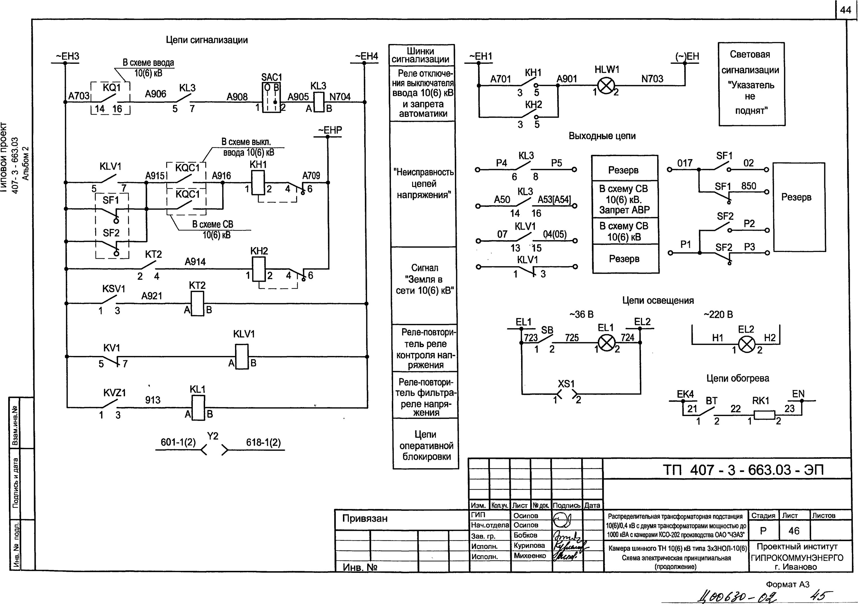
Цепи сигнализации