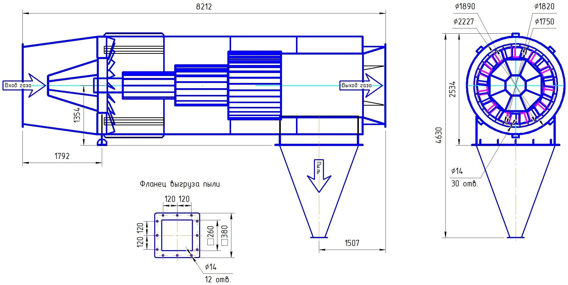
Циклон архангельск