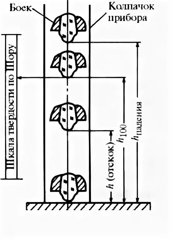
Твердость методом отскока