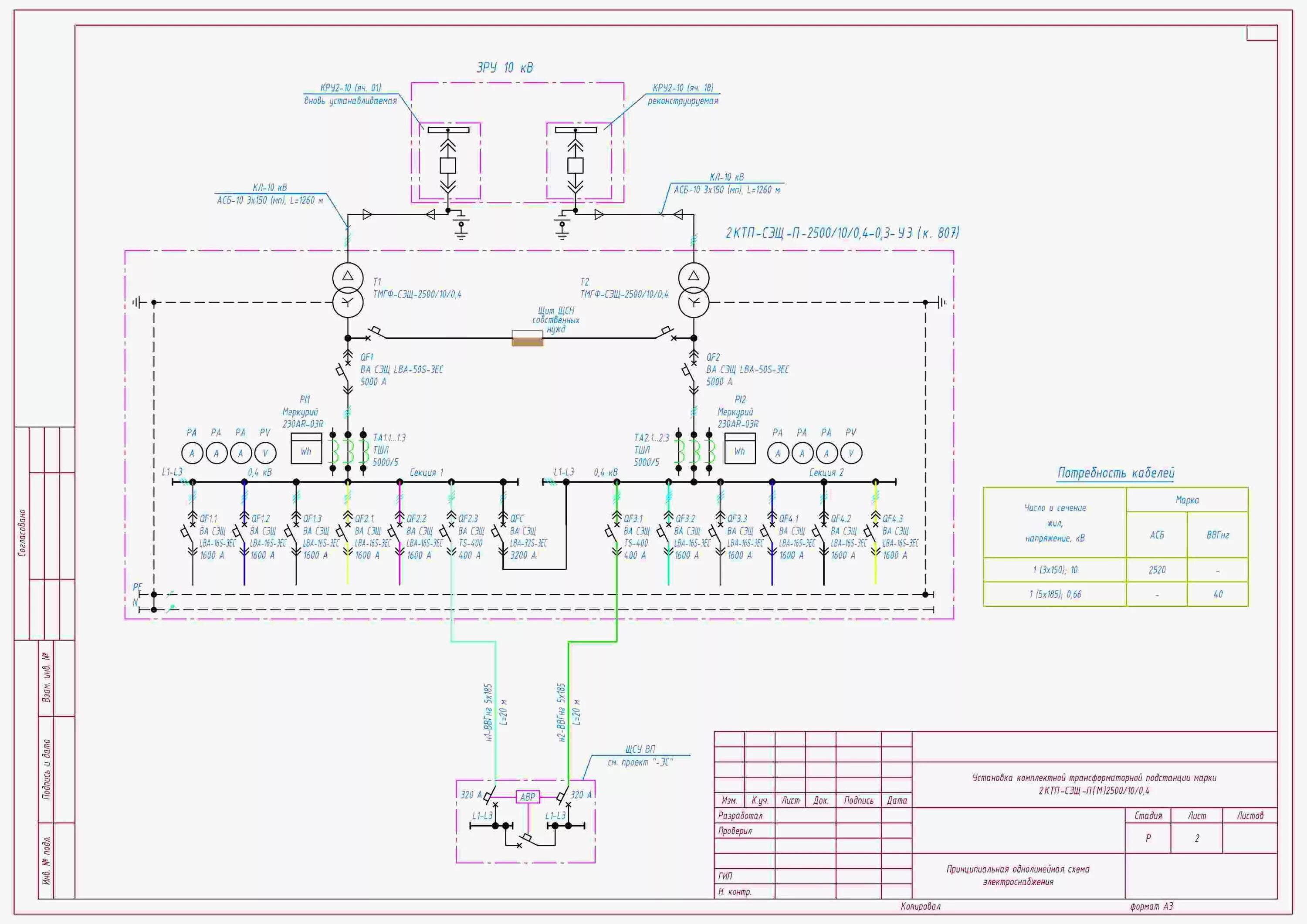
Учет тп