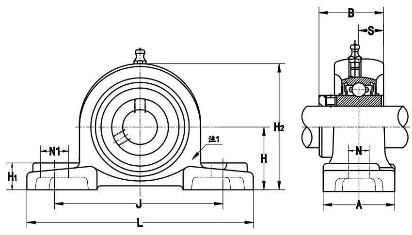
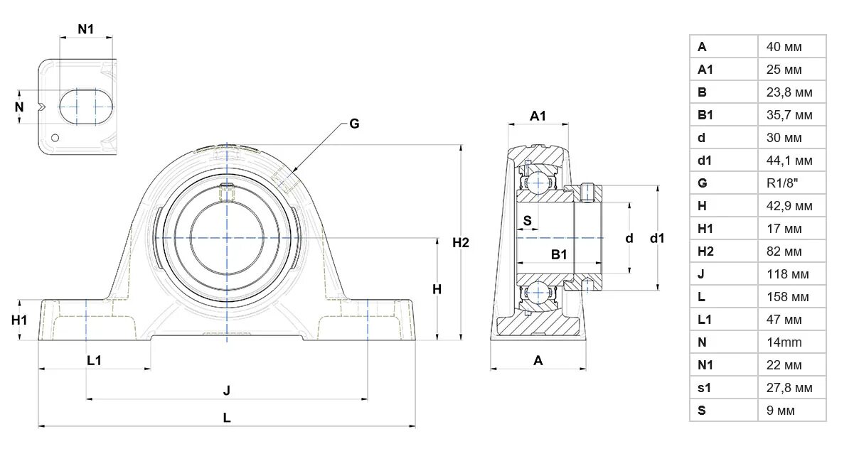
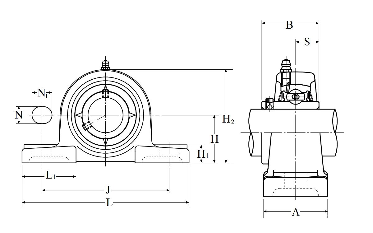
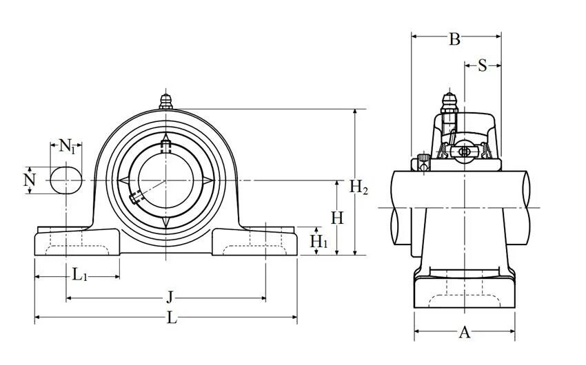
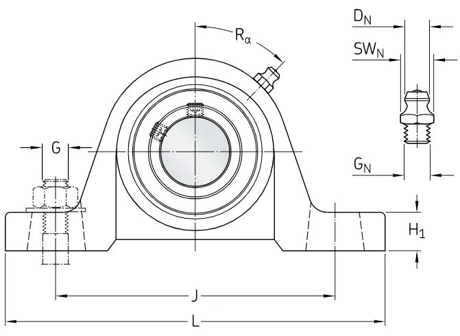
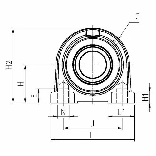
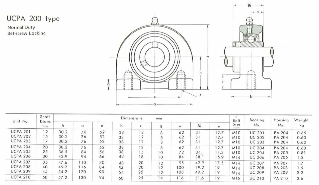
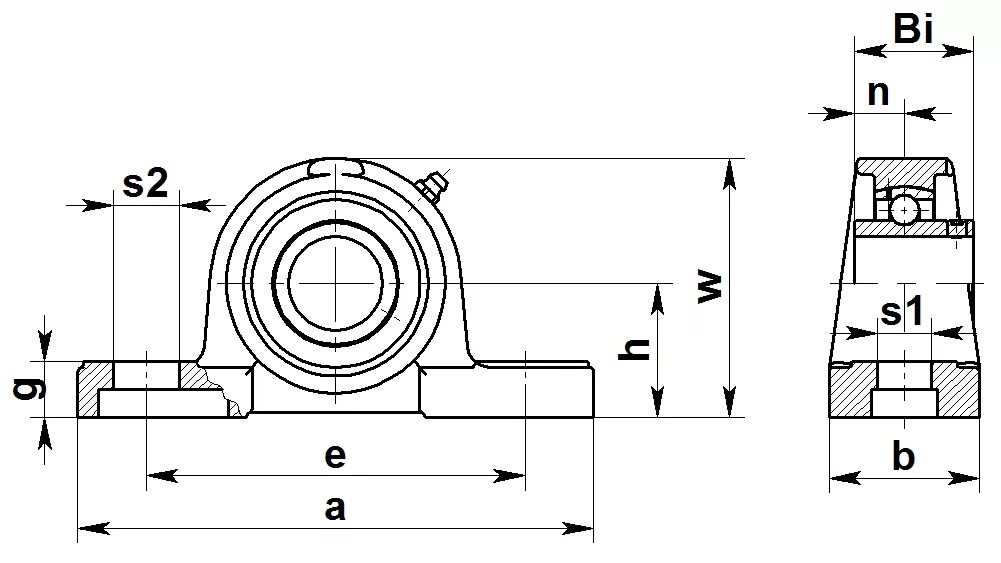
Ucp размеры