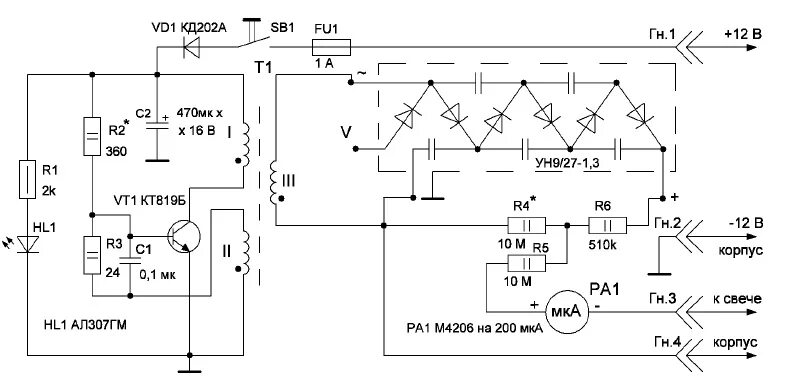
Ун9 27 содержание драгметаллов