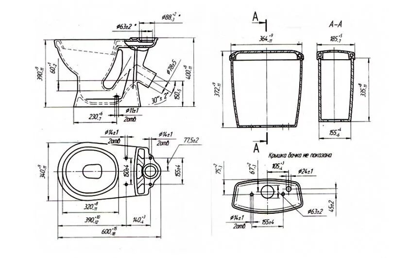
Унитаз тип выпуска косой