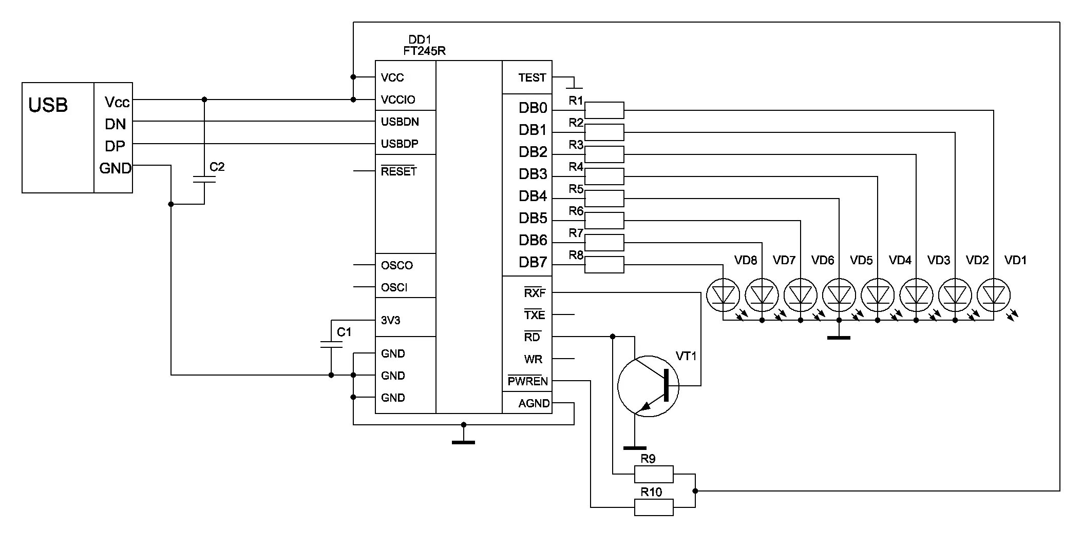
Управление 245