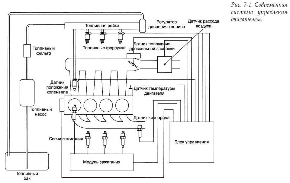
Управление работой двигателя