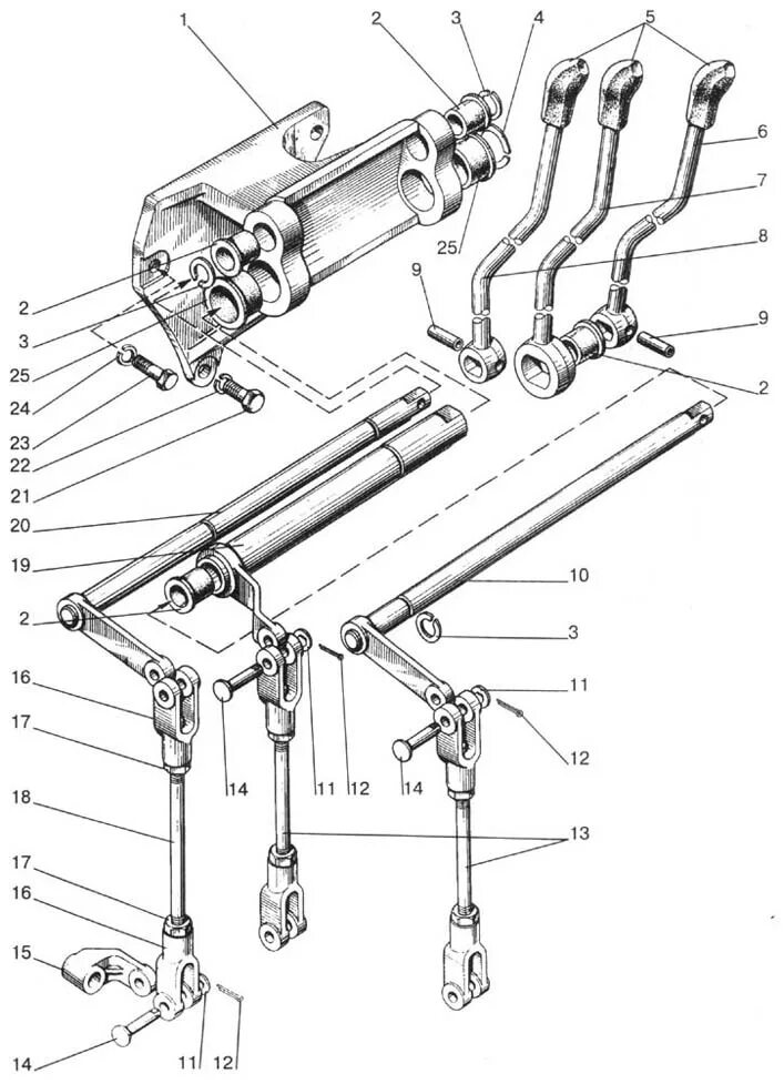
Управление распределителем