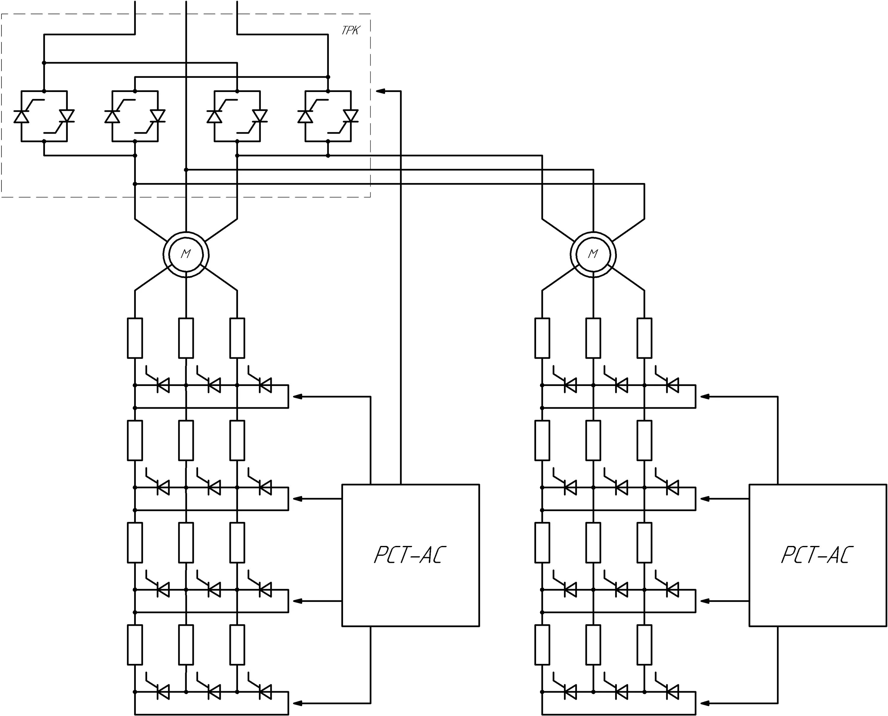
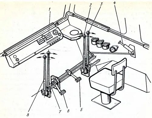
Управление установкой крановой