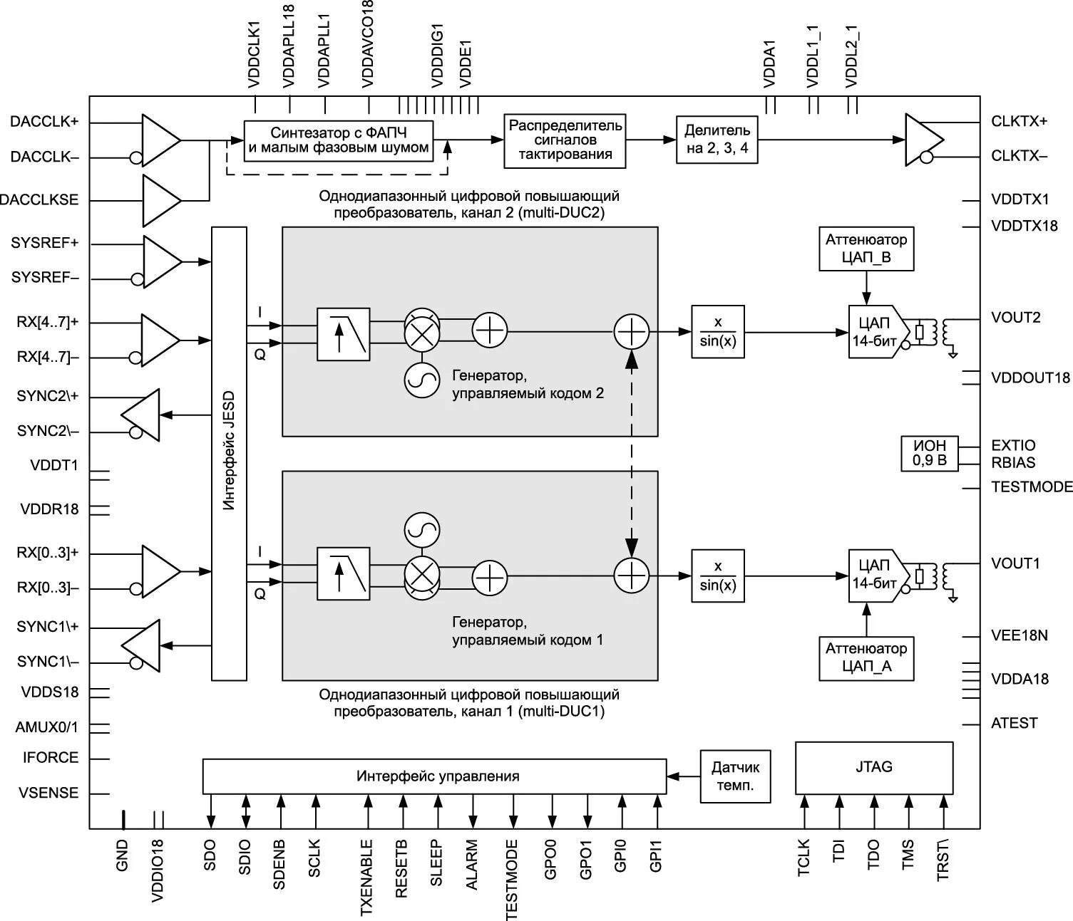
Управляемый код