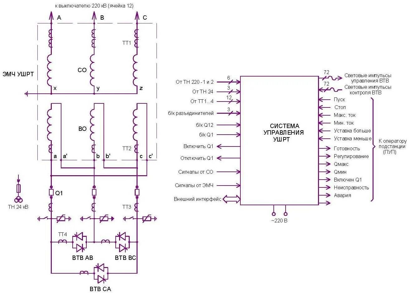
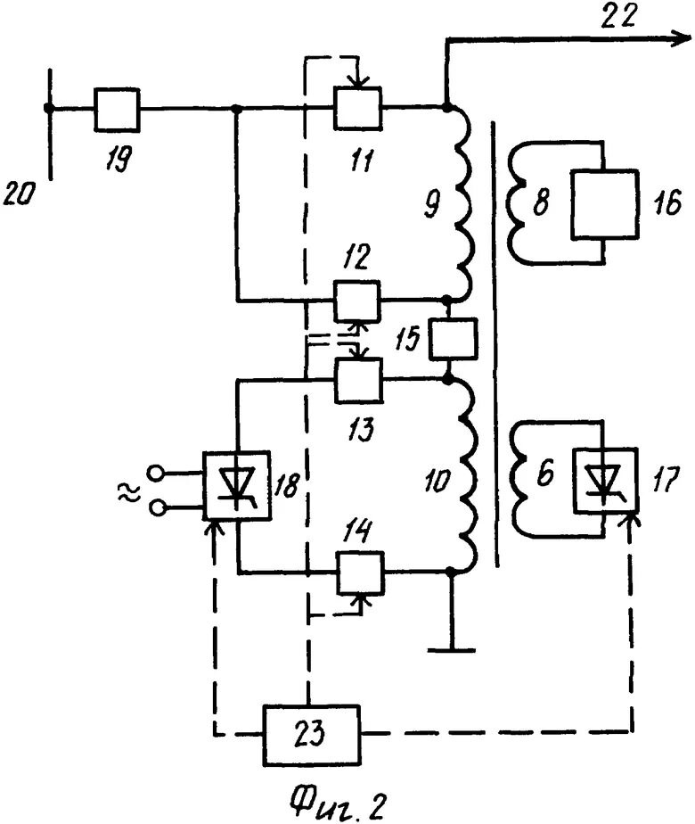
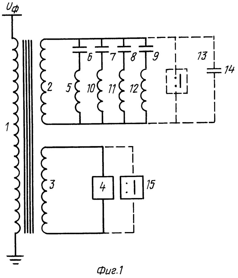
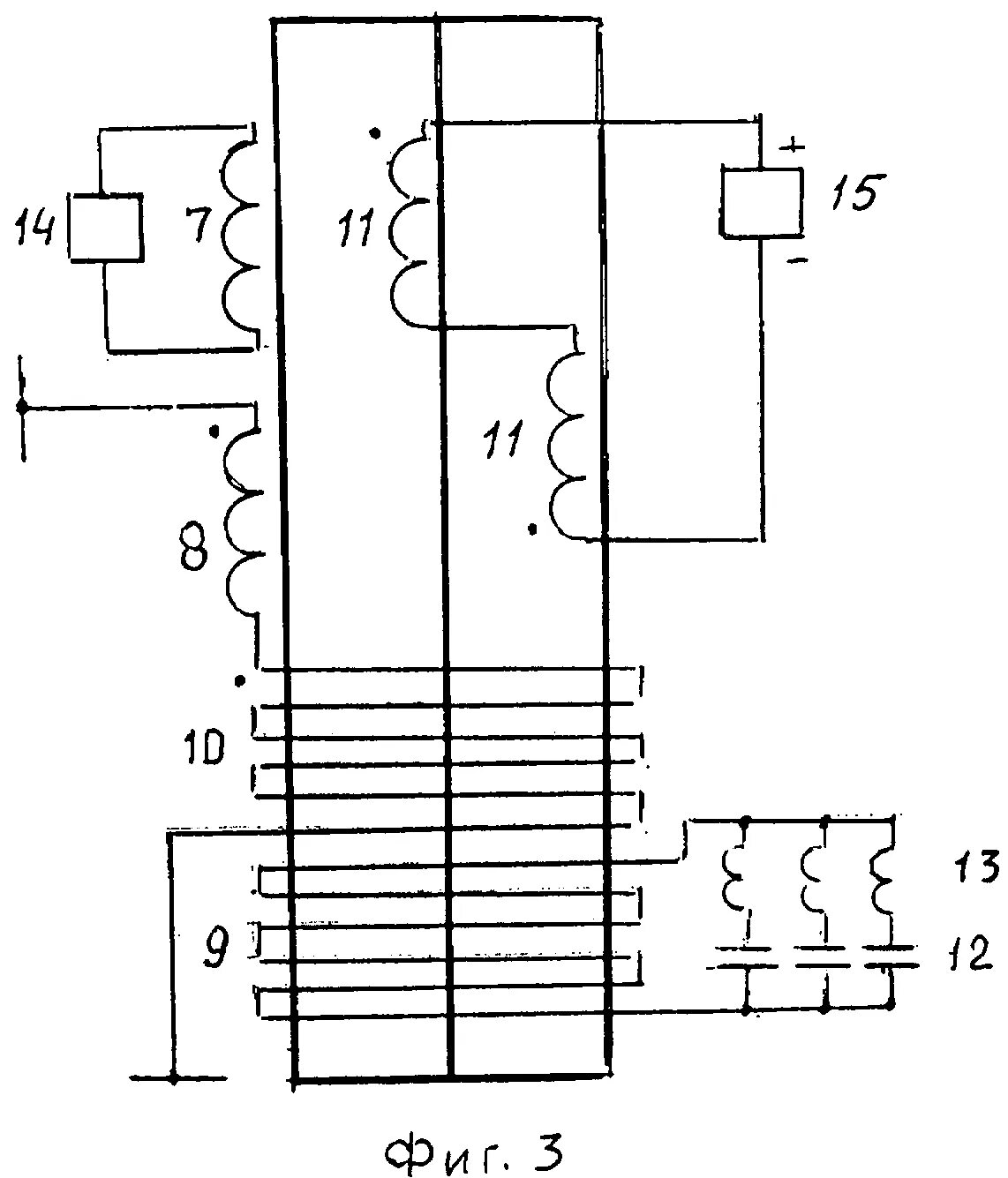
Управляемый шунтирующий реактор