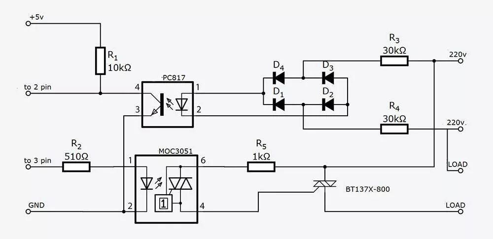
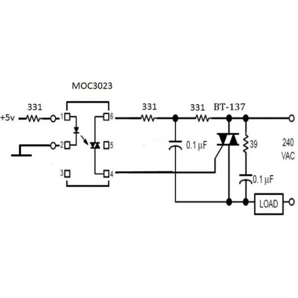
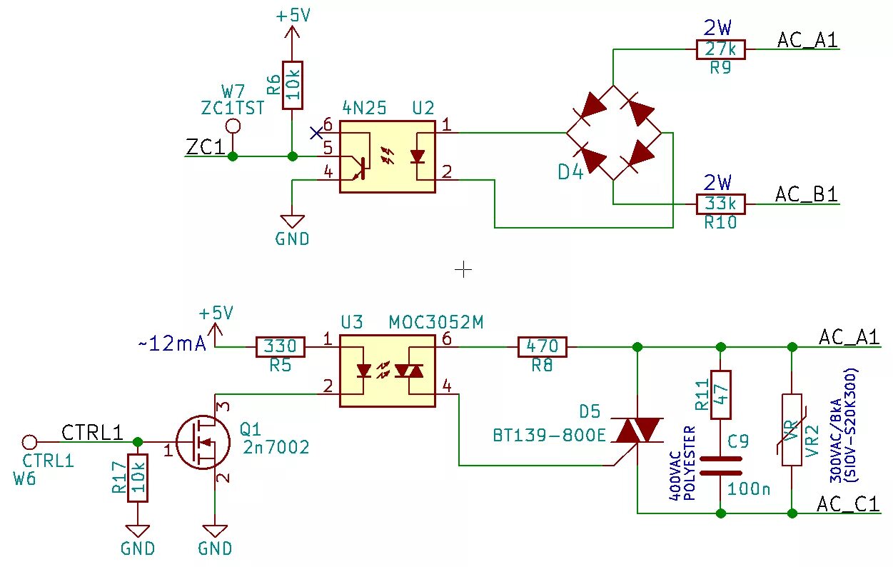
Управляемый симистор