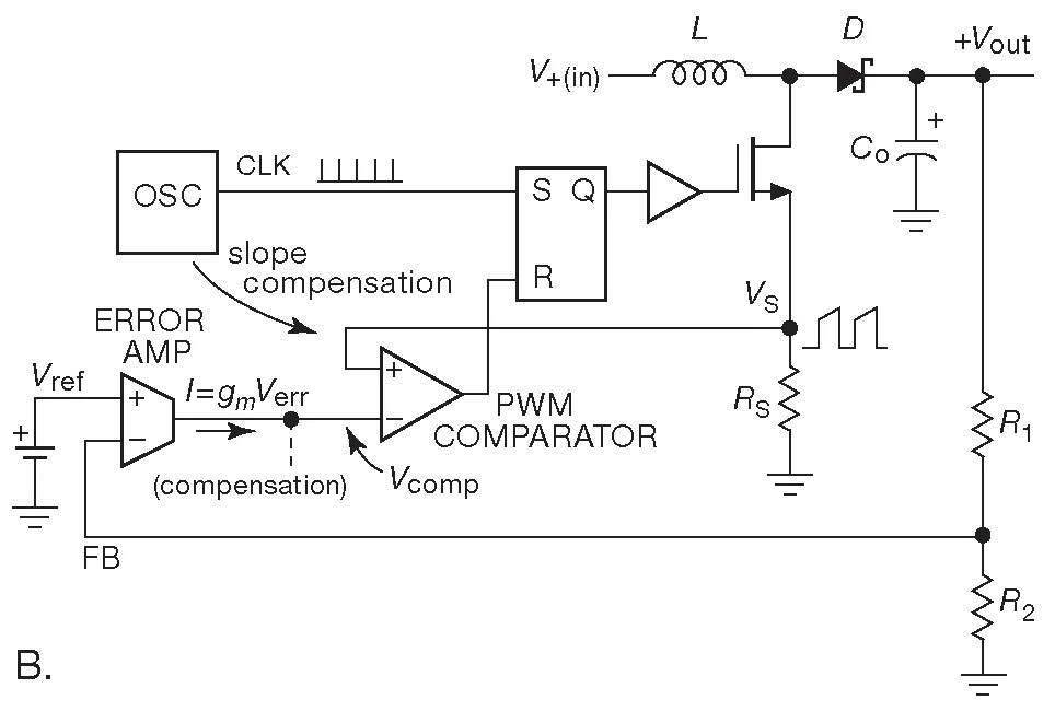
Управляющий сигнал