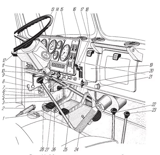
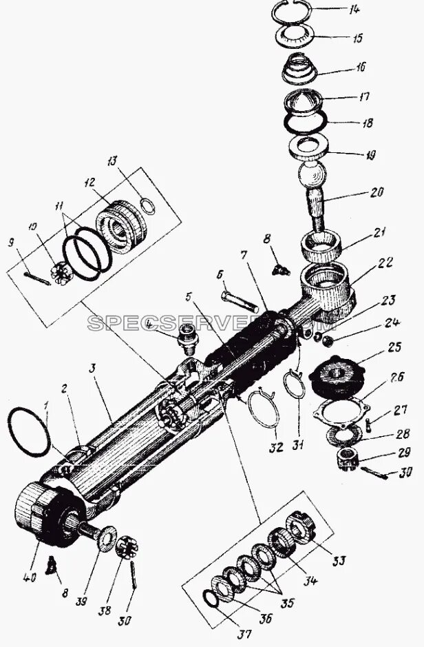
Урал управление