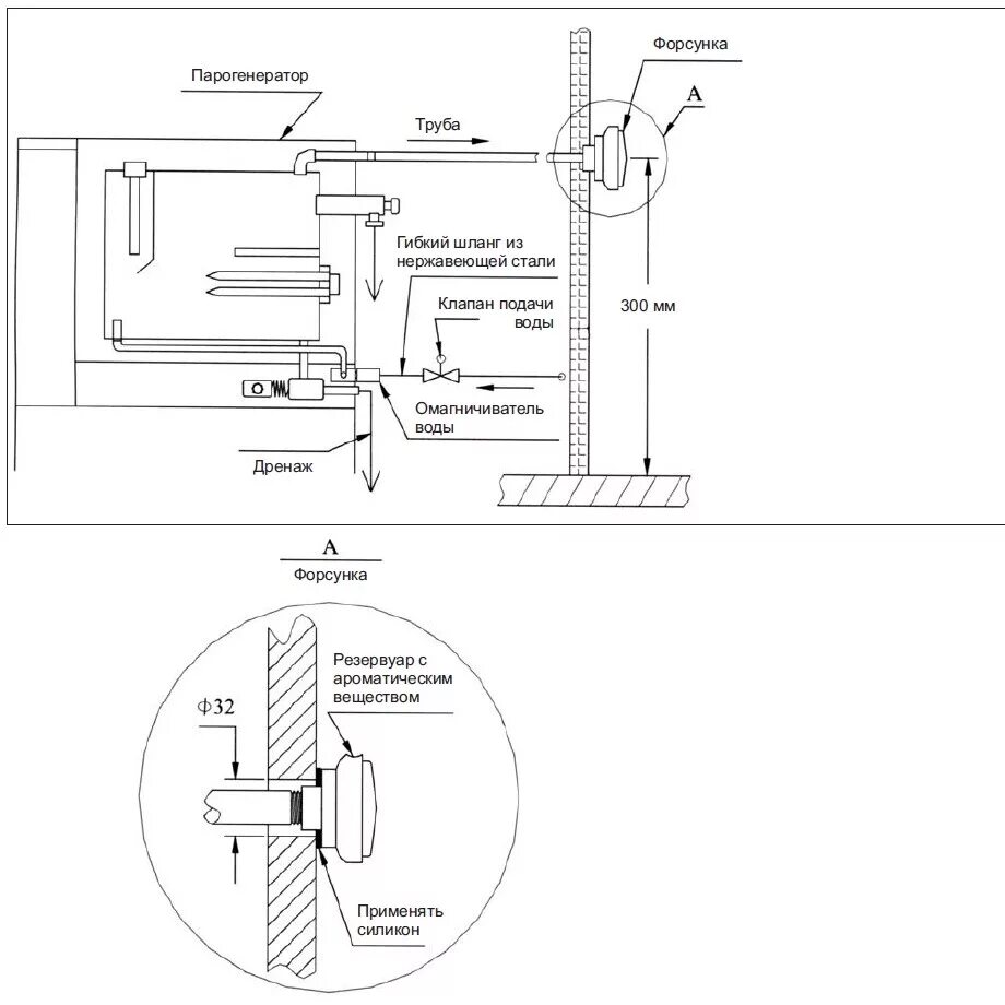
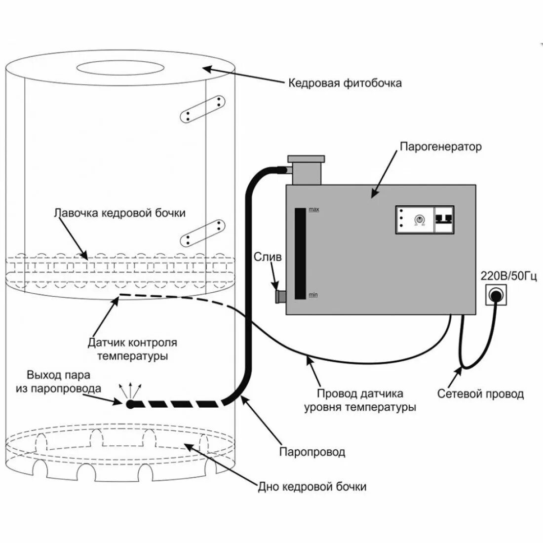
Установить парогенератор