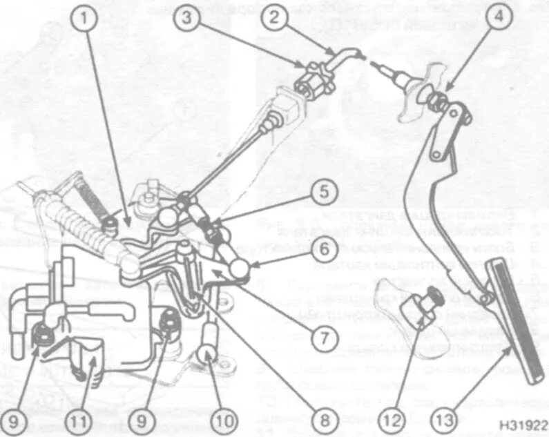
Установка акселератора