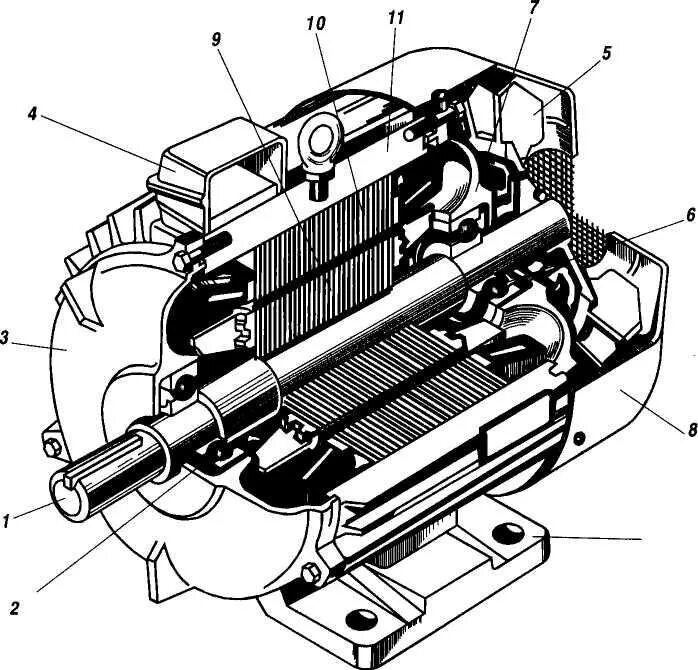
Устройство асинхронных