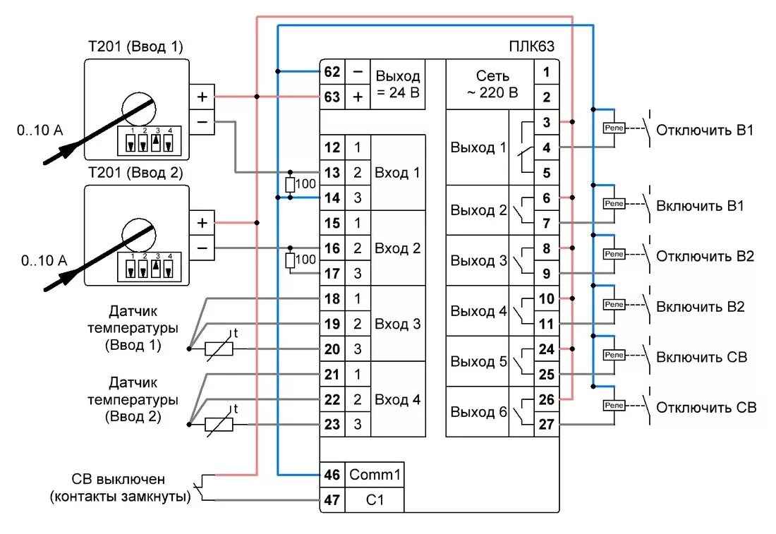
Устройство программируемого логического контроллера