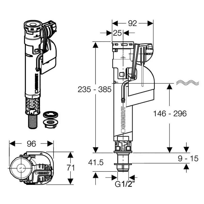
Устройство впускного клапана сливного бачка