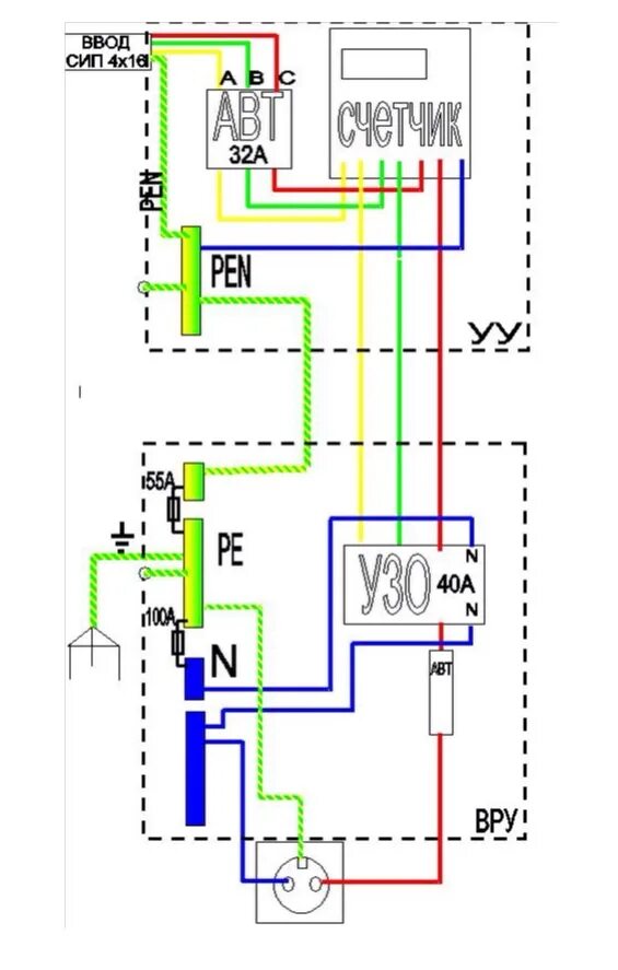
Узо в системе tn c