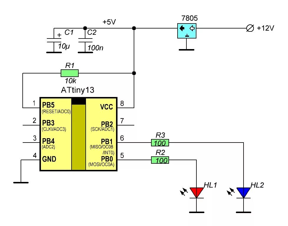
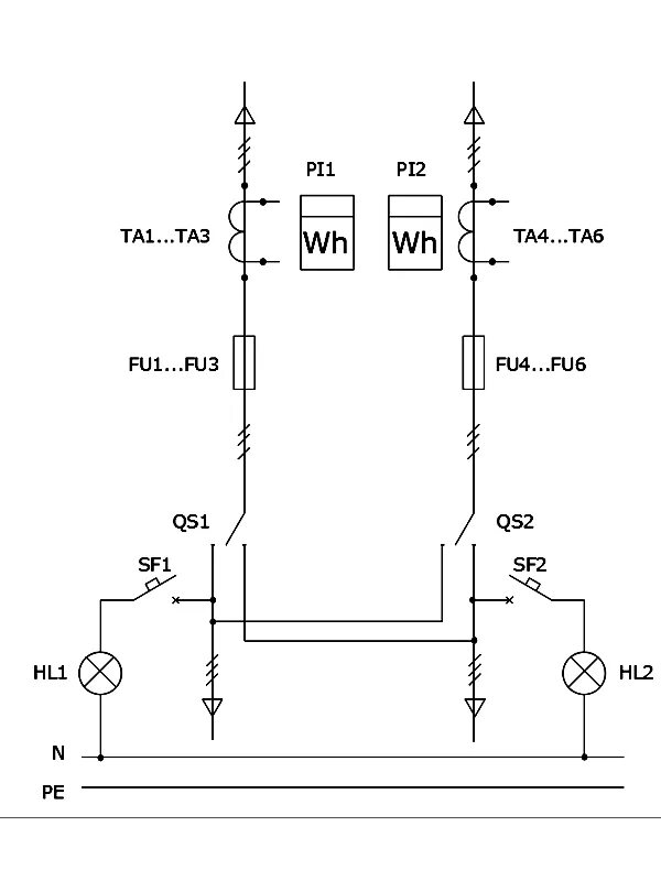
В 1 13 схемы