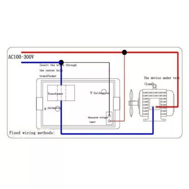
V insert