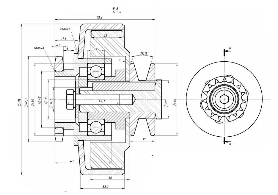
Вал 25.4