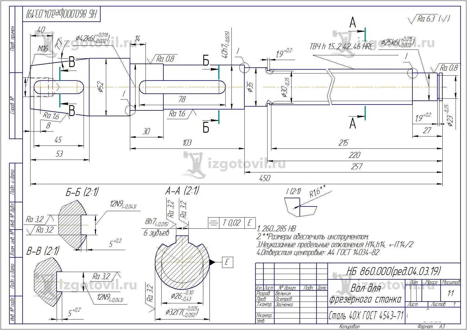
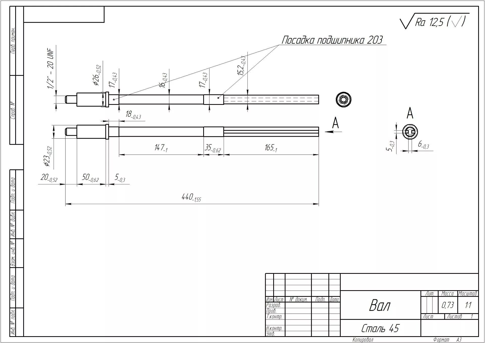
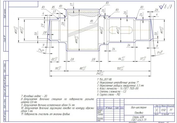
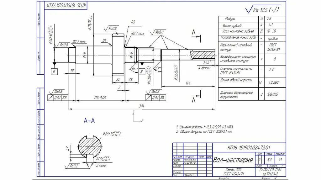
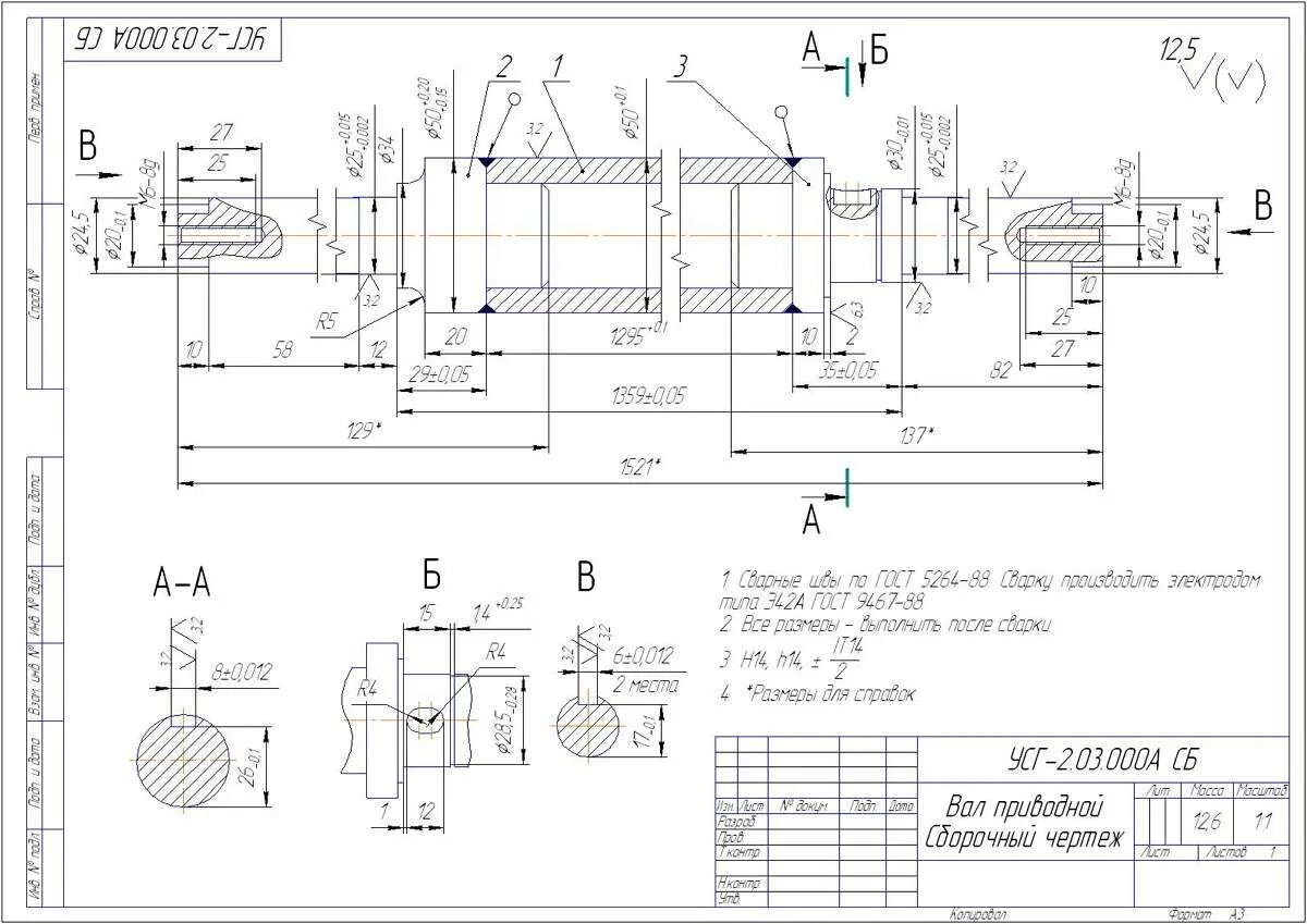
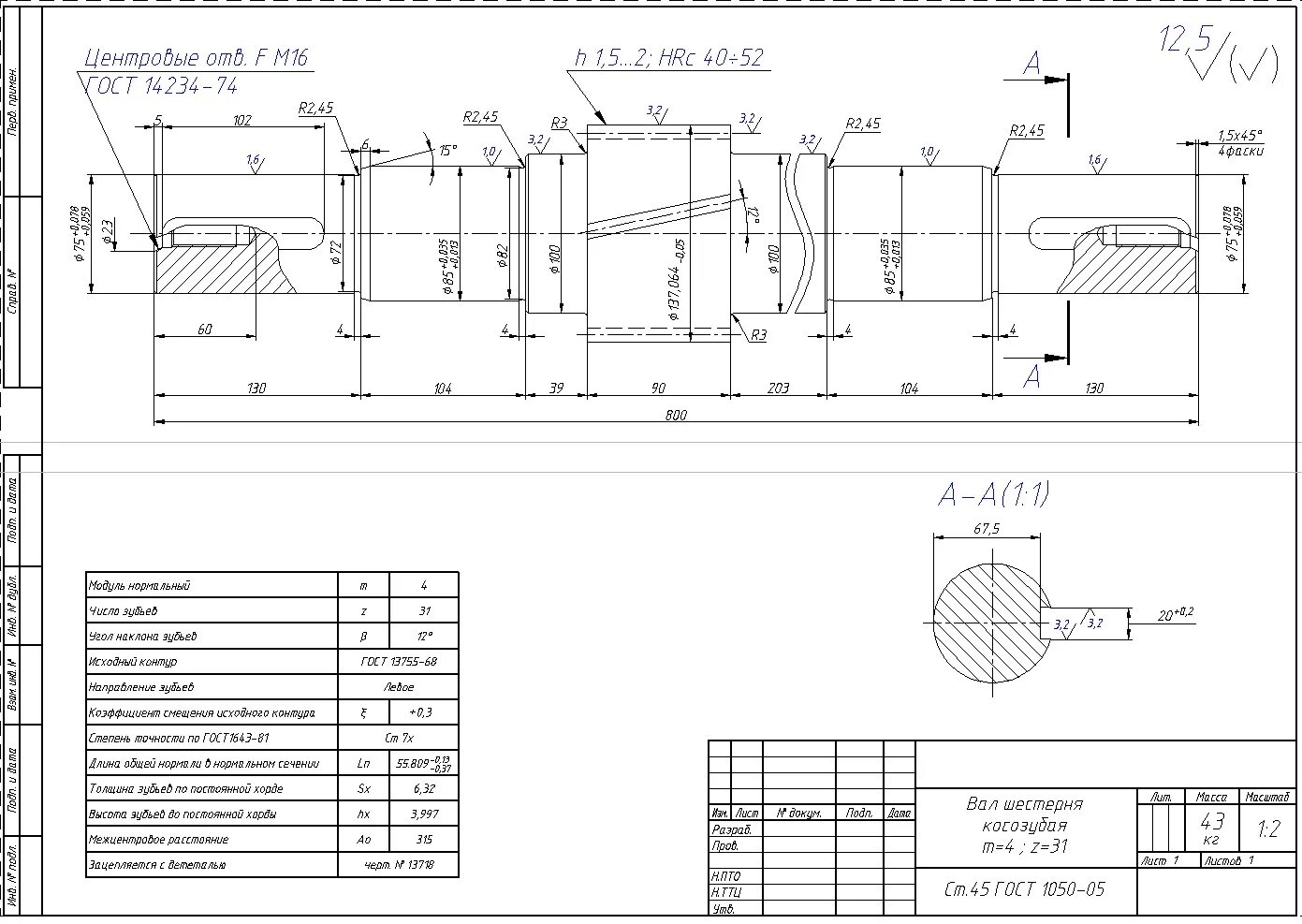
Вал из какой стали