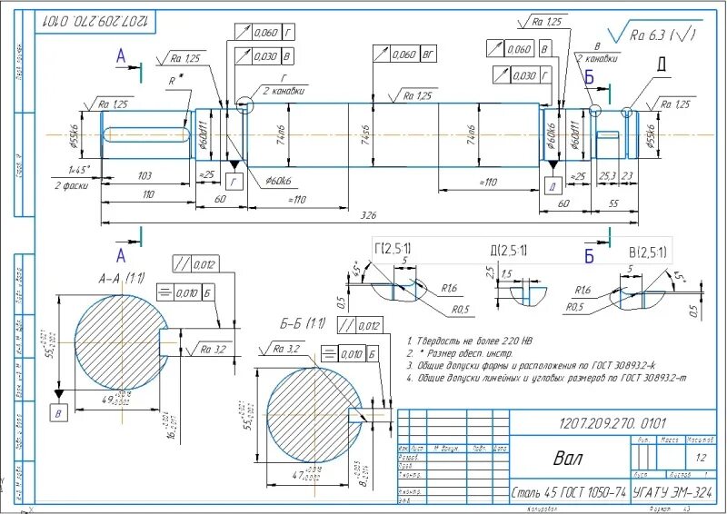
Вал ротора двигателя