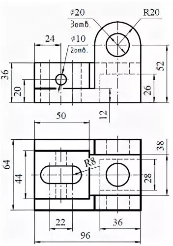
Вариант 12 44