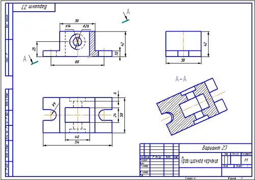
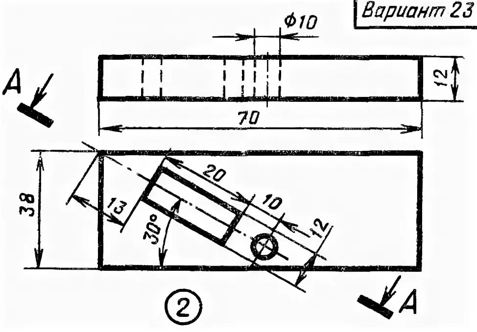
Вариант 23