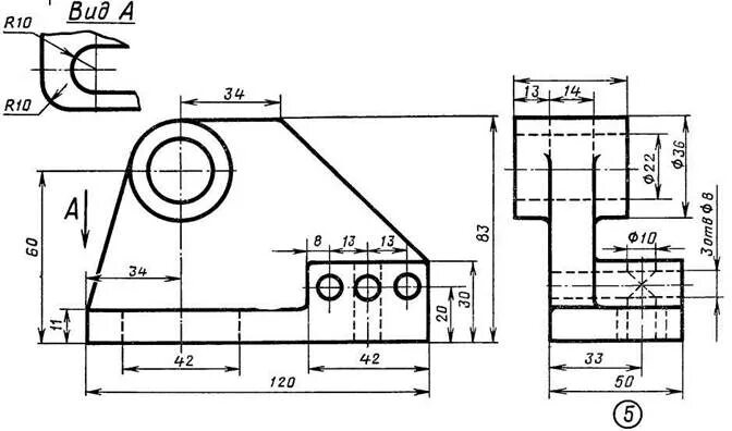
Вариант 26 профиль