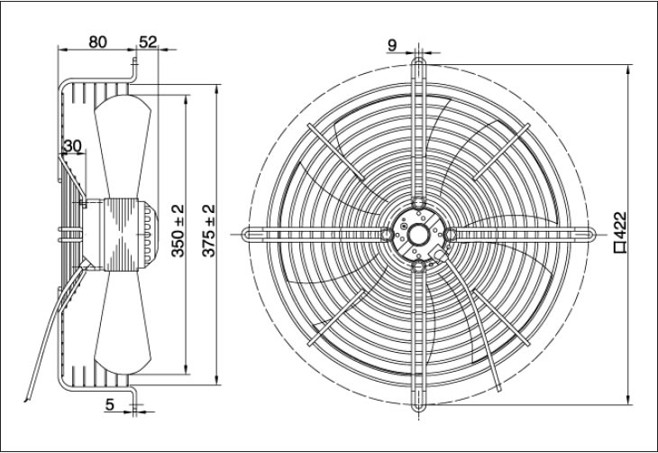
Вентилятор диаметр 250