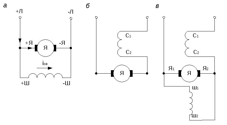
Включение двигателя постоянного тока