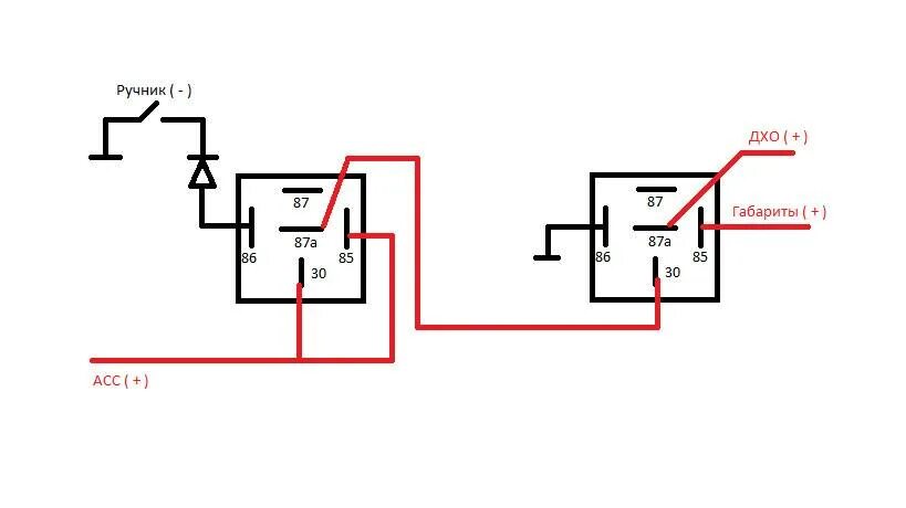
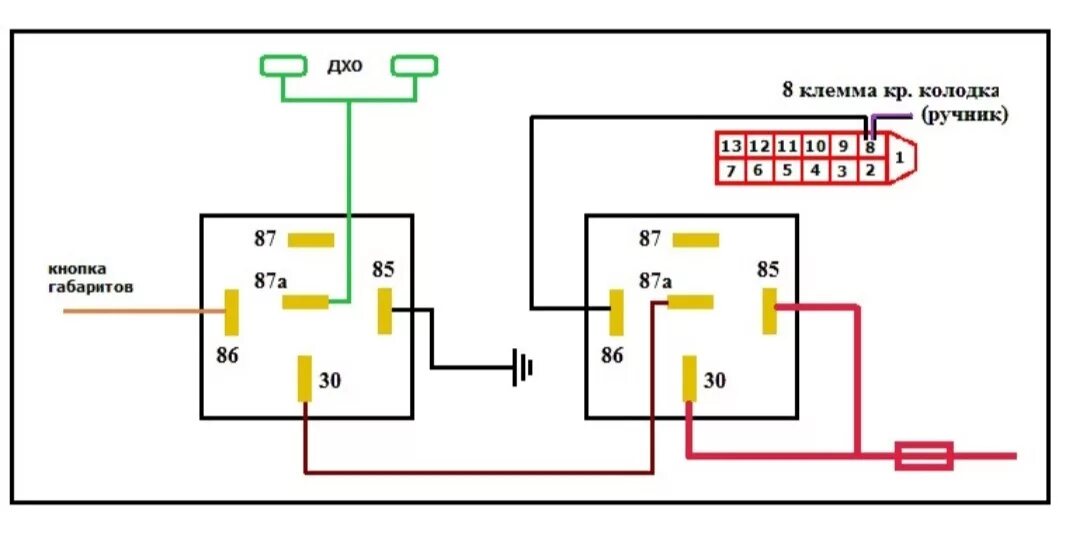
Включение при поднятии