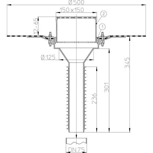
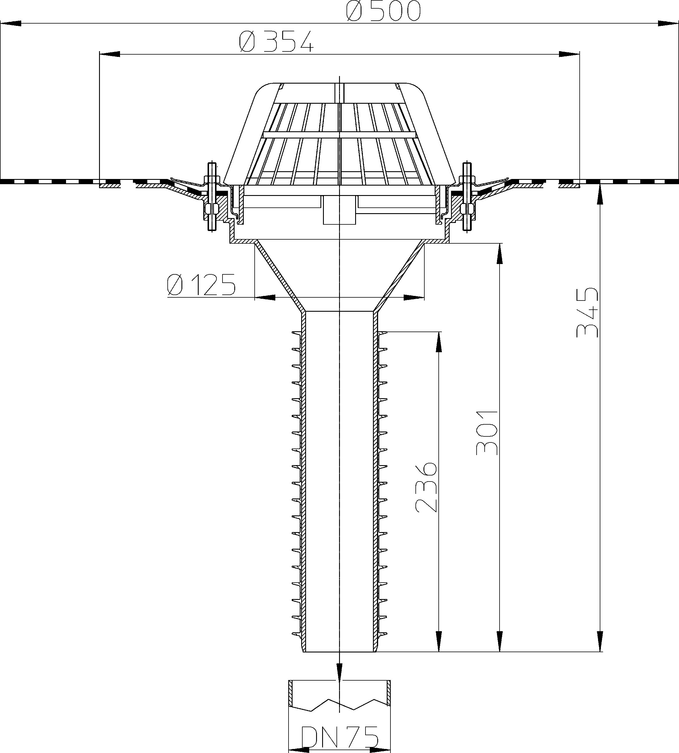
Воронка вертикальная