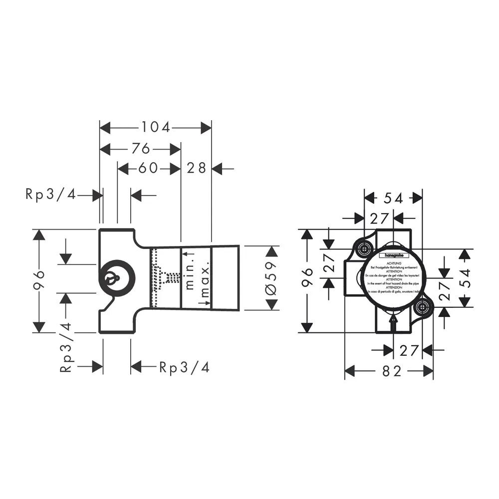
Встроенный элемент