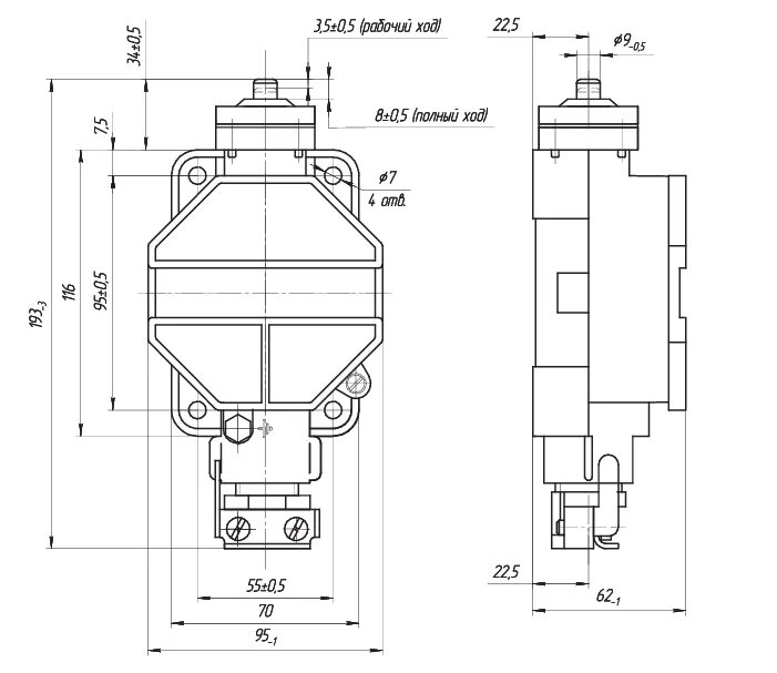
Выключатель путевой впв 1а