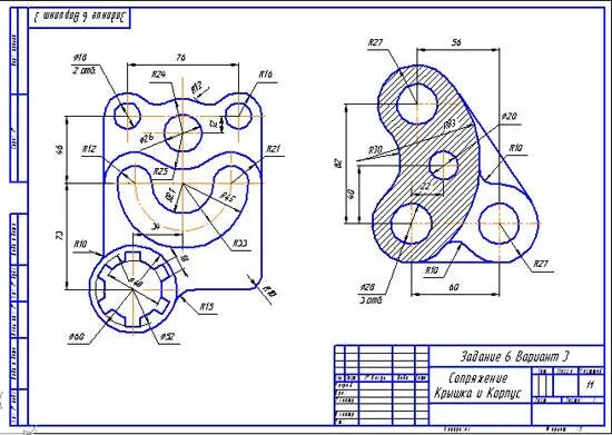
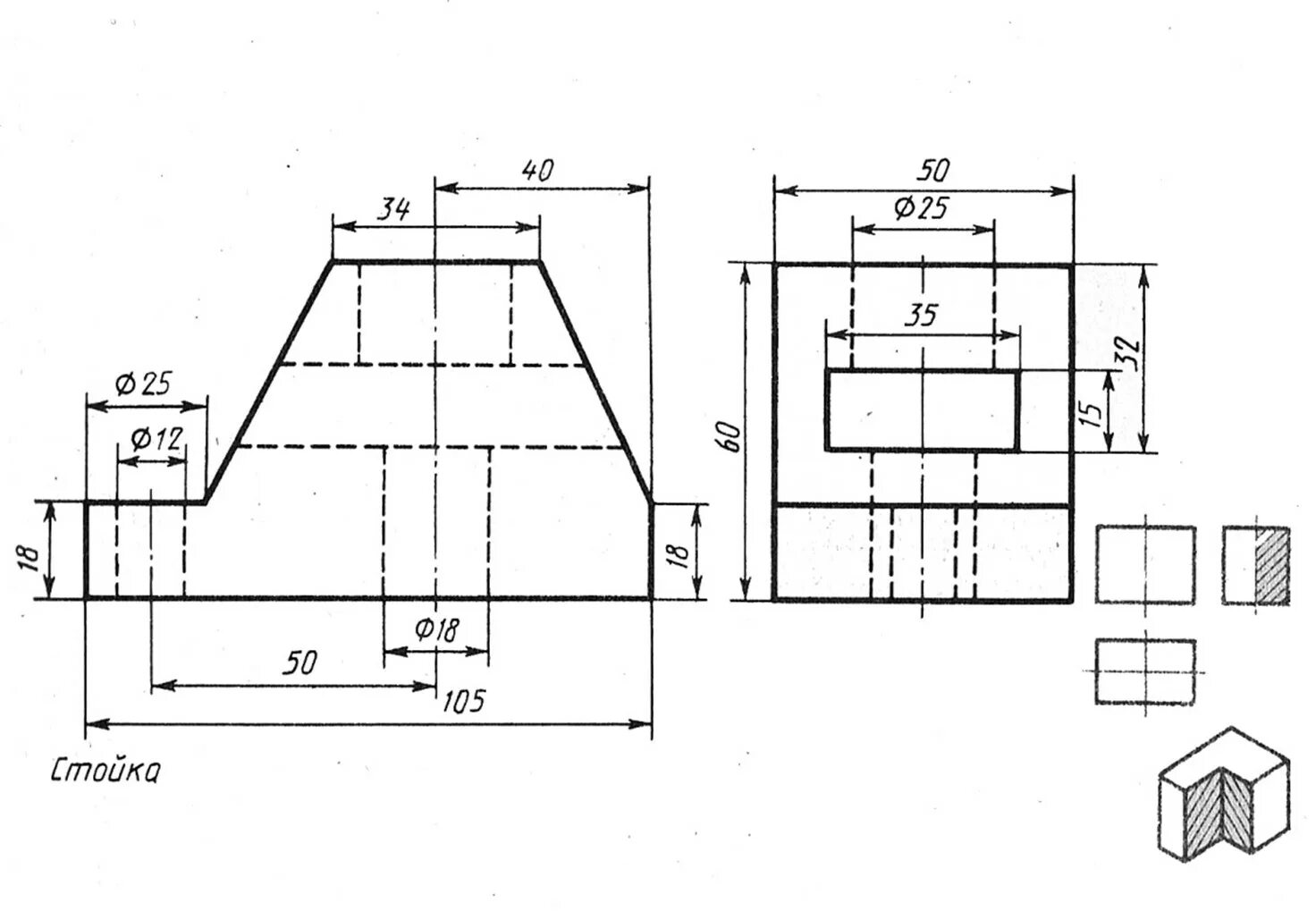
Выполнение тремя вариантами