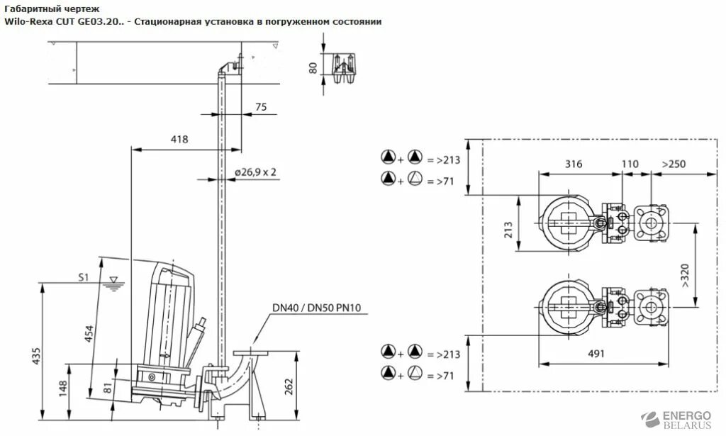
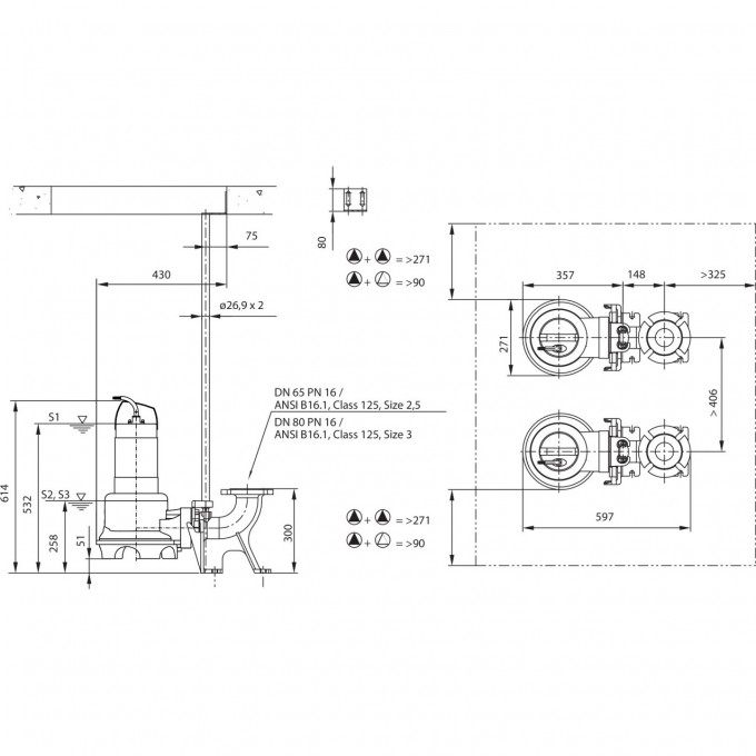
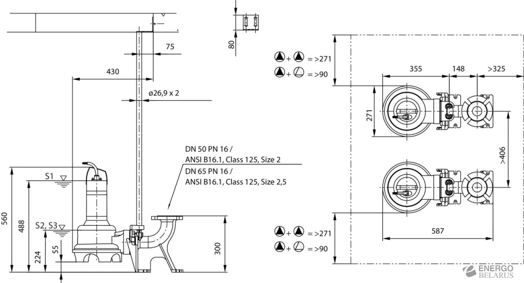
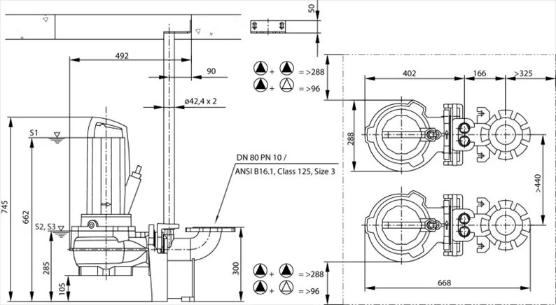
Wilo rexa mini3