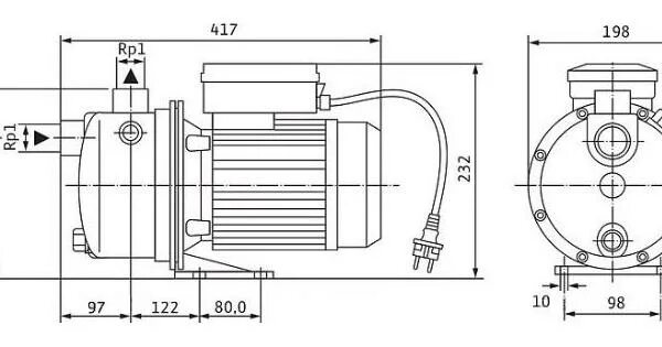
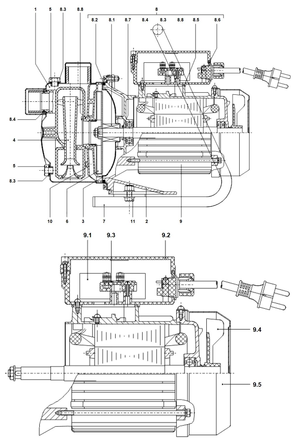
Wj 203 em mod c