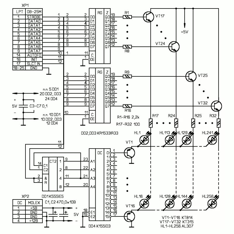
З дд