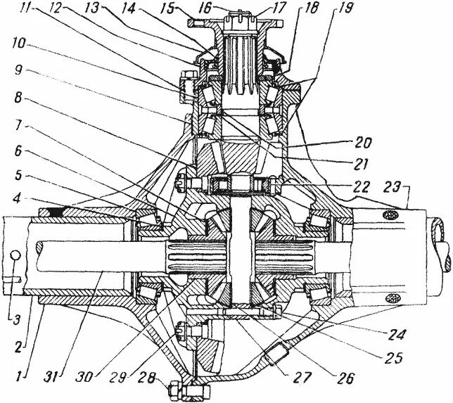
Задний мост 3307