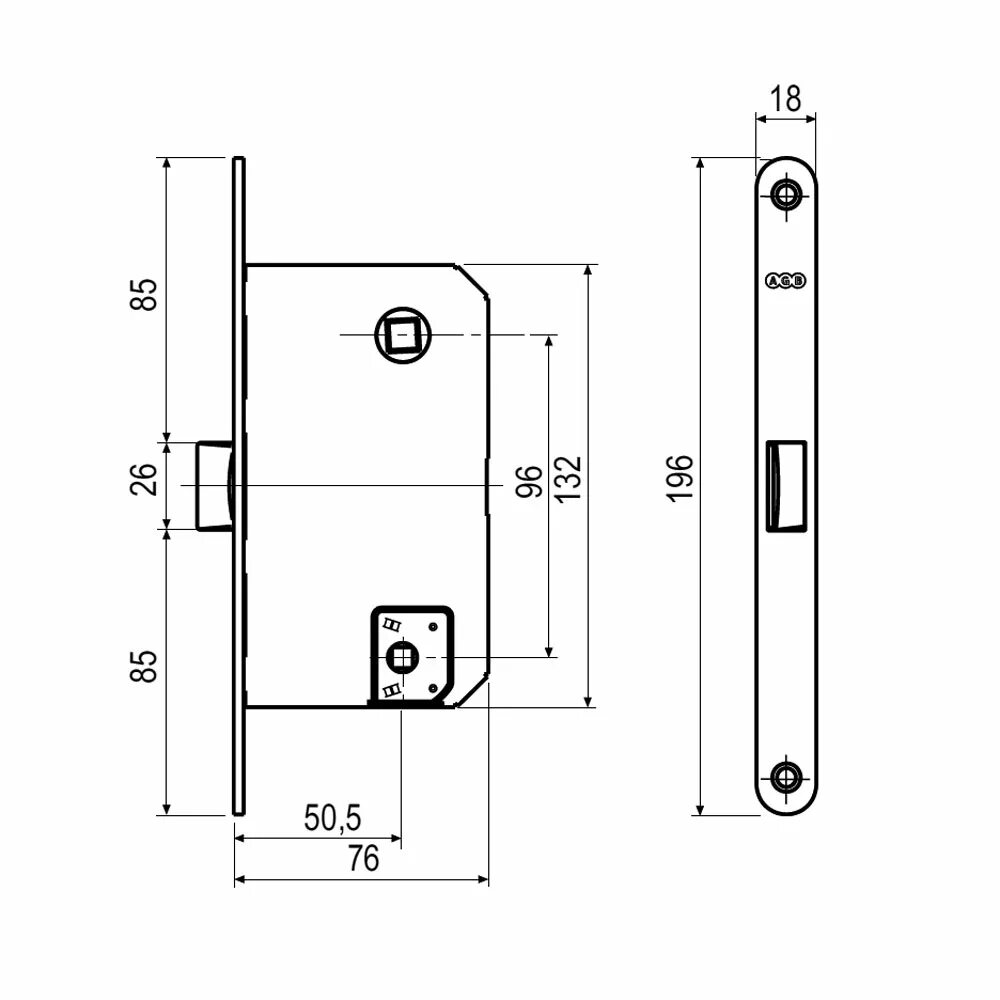
Замок mediana polaris wc