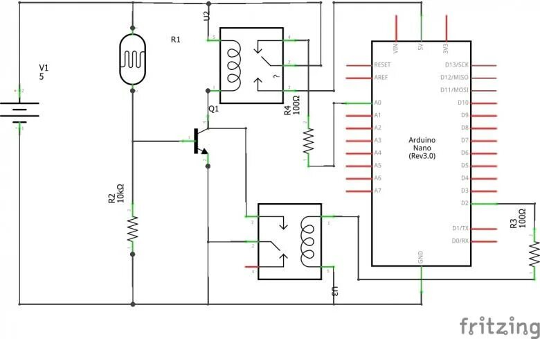
Защита ардуино