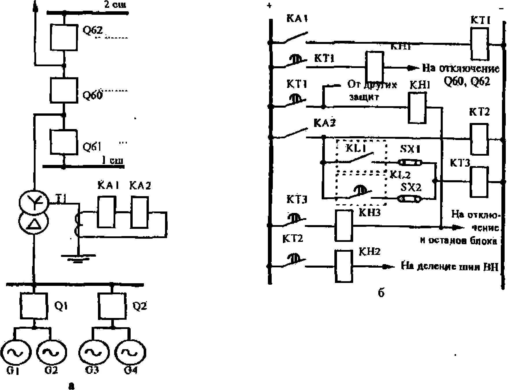
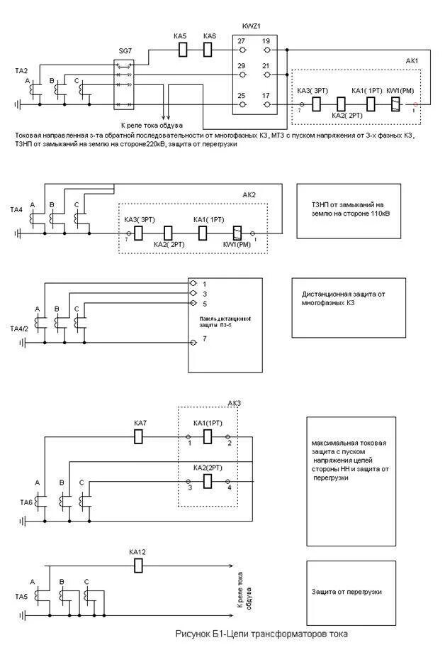
Защита нулевой последовательности