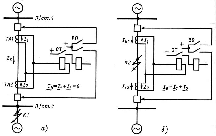
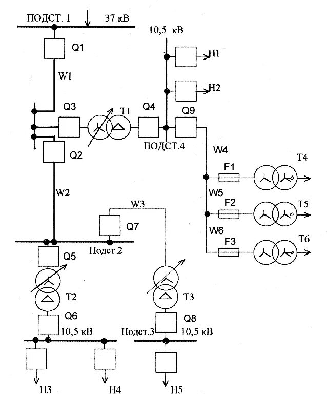
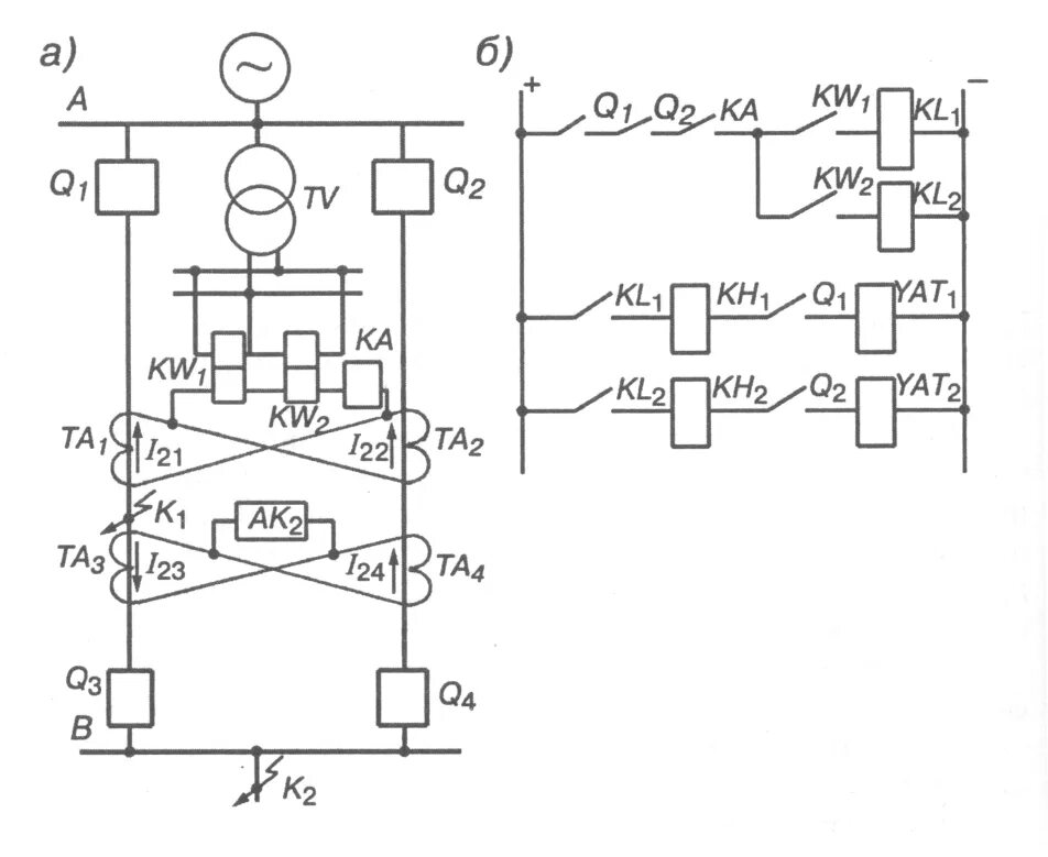
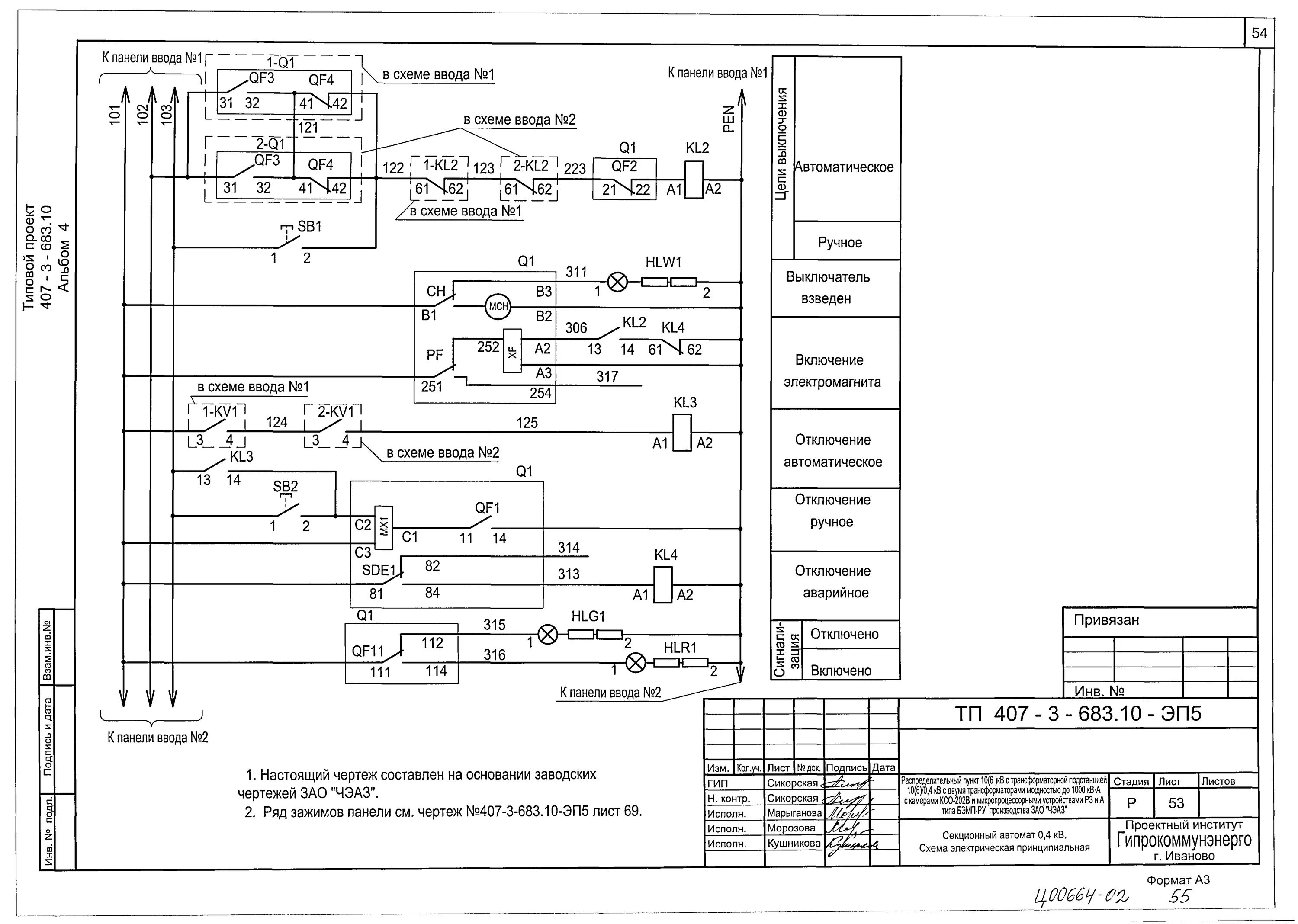
Защита трансформатора и линий