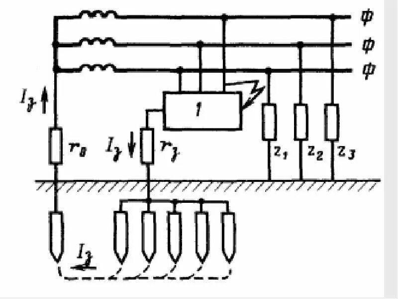
Защитное заземление применение