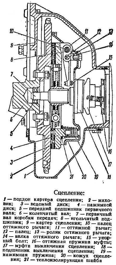
Змз сцепление регулировка