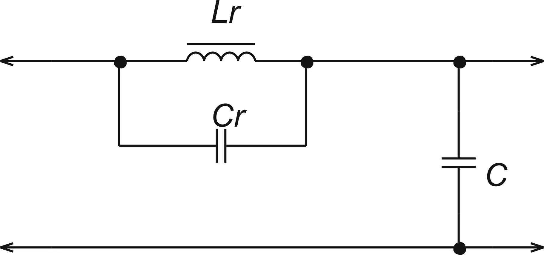
L c фильтр