Главная
»
Подключение к esp32
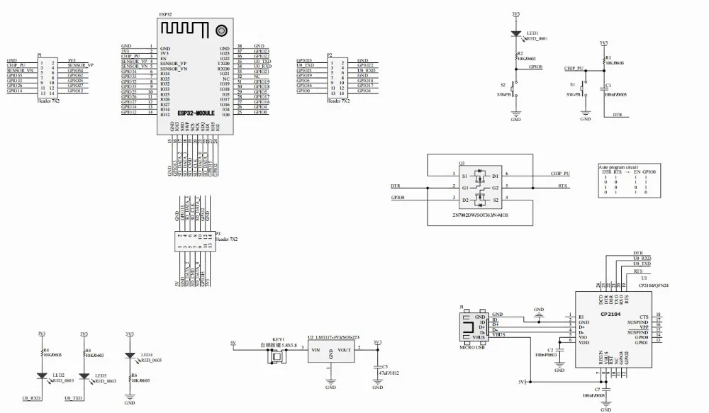
Подключение к esp32. Esp32-wroom-32d. esp32 модуль. esp32 wroom 32 схема. esp32 programmer.
« Предыдущее
10 / 40
Следующее »