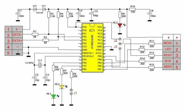
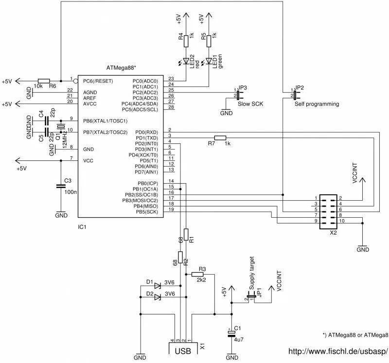
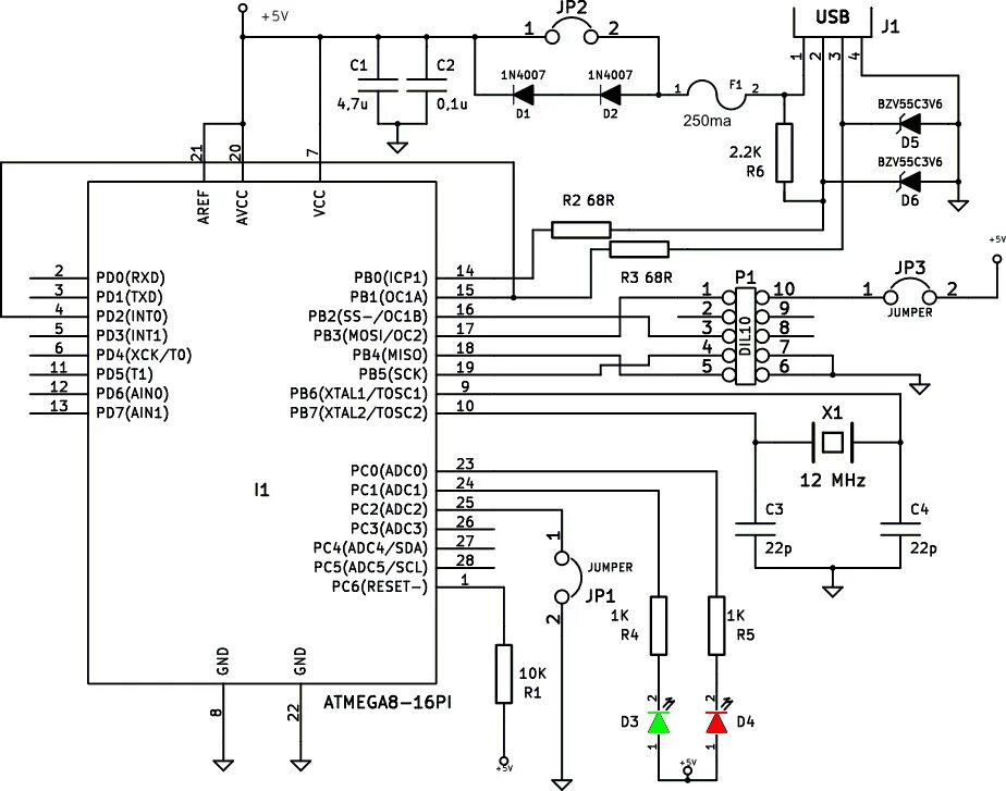
Программатор atmega